近日,郑州朴华科技有限公司设计生产的喷漆房废气处理设备——活性炭吸脱附催化燃烧发往陕西榆林现场并开始进行安装调试工作。该喷漆房废气处理设备经过初步现场考察、技术交流、技术方案输出、方案订正、方案定稿、设计加工,发货到现场安装调试等工作,均由朴华科技完成。朴华科技环保圆满完成了业主的嘱托,得到了业主高度赞赏与认可。

喷漆房废气处理设备安装现场
项目简介:
根据业主下发的废气处理设备采购文件的招标要求,郑州朴华科技有限公司严格按照《废气处理设备技术要求》文件中规定的处理设备的参数要求进行设计,满足设计处理效果,工程范围按照文件要求界定,系统废气总处理风量为90000m³/h。
工艺流程:
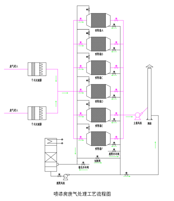
本项目主要处理喷漆房喷涂过程中产生的有机废气,采用“干式漆雾过滤+活性炭吸脱附+催化燃烧”的处理工艺,工艺流程见下图:

工艺描述:
喷漆房的漆雾废气经管道收集后,先进入干式漆雾过滤器进行预处理,脱除颗粒物的废气再进入活性炭吸附箱进行废气的吸附浓缩处理,废气中的非甲烷总烃被活性炭吸附后,经引风机通入排气筒达标排放。
非甲烷总烃在活性炭箱内被吸附后,再使用催化燃烧设备排出的高温热气进行脱附处理,脱附下来的有机物进入催化燃烧系统,催化燃烧系统(250~350℃)可将有机污染物转化成二氧化碳和水,达到净化目的,净化后的废气经烟囱达标排放,同时有机物燃烧过程产生的热量可维持其温度,保证燃烧正常进行。整套系统由预处理过滤器、吸附床、催化燃烧床、阻燃器、换热器、风机、阀门、PLC控制系统等组成。